楼宇自控系统的数据采集??榘ㄖ斩私诘恪⑿髌鹘岬阋约奥酚善鹘诘?。终端节点采集楼宇中各项数据,协调器建立和维护一个Zigbee网络管理其网络中的其他节点,路由器实现其他节点的消息转发功能。其中,由协调器节点、路由器节点和终端节点构成ZigBee三级树型无线传感网络,构成数据采集??榈耐绻羌堋?/span>

楼宇自控系统数据采集??橹谢肪承畔⒉杉衅饔形露却衅鳌⑹却衅?、光照度传感器、土壤传感器、车距传感器、烟雾传感器、PM2.5传感器和人体红外传感器;设备控制器有灯光控制器、插座控制器、窗帘控制器、空气净化器控制器、加湿器控制器、音乐控制器、声光报警设备、空调、电脑和电视机ZigBee转红外信号控制模块等。
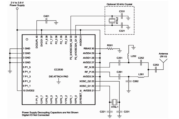
楼宇自控系统数据采集模块的三种节点均采用TI公司的CC2530芯片,具体内部结构见图2所示。CC2530芯片拥有丰富的端口,能够同时连接控制多个设备,同时具有良好的扩展性,CC2530芯片与就近的传感器或设备控制器通信连接并进行信息传输,并将多个传感器或设备控制器的信息通过一个无线数据包传递,用以降低室内无线信号辐射。