一品楼凤万花楼栖凤楼茶楼论坛官网入口 ,深圳罗湖桑拿浦神论坛广州桑拿网蒲友论坛最新活动 ,凤楼阁论坛官网入口网址,栖凤楼品茶官方网站入口登录

楼宇自动化BPMN流程图及说明!

栏目:常见问题 作者:三水智能化 发布时间:2020-09-01 关键词: 楼宇自动化
分享到:
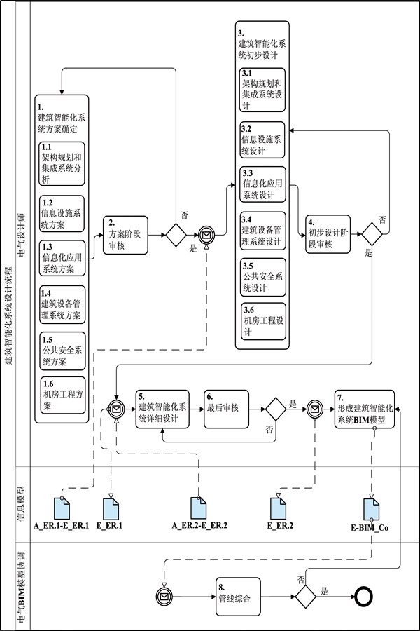
电气设计可以分为强电设计和弱电设计,楼宇自动化设计属于弱电设计的一部分。楼宇自动化系统主要包括架构规划和集成系统,信息设施系统、信息化应用系统、建筑设备管理系统、公共安全系统和机房工程。

电气设计可以分为强电设计和弱电设计,楼宇自动化设计属于弱电设计的一部分。楼宇自动化系统主要包括架构规划和集成系统,信息设施系统、信息化应用系统、建筑设备管理系统、公共安全系统和机房工程。

基于BIM的楼宇自动化设计流程分为系统方案确定、方案阶段审核、系统初步设计、初步设计阶段审核、系统详细设计、最后审核,整个楼宇自动化BIM模型创建完成后,需要进行管道综合,也就是要对模型进行碰撞检查,检查不同构件之间是否发生冲突。

其流程图如图所示,流程图中“信息模型”一栏每个有阴影的部分都是一个交换需求,初步设计阶段的交换需求表示为“E_ER.1”,详细设计阶段的交换需求表示为“E_ER.2”,在进行楼宇自动化初步设计之前要接收建筑专业的初步设计模型,此时交换需求表示为“A_ER.1-E_ER.1”,在进行楼宇自动化详细设计之前要接收建筑专业的详细设计模型,此时交换需求表示为“A_ER.2-E_ER.2”,楼宇自动化BIM模型协调直接表示为“E-BIM_Co”,Co为Coordinate(协调)。

楼宇自动化BPMN流程图及说明!(图1)