一品楼凤万花楼栖凤楼茶楼论坛官网入口 ,深圳罗湖桑拿浦神论坛广州桑拿网蒲友论坛最新活动 ,凤楼阁论坛官网入口网址,栖凤楼品茶官方网站入口登录
网站首页
关于三水
公司简介
公司文化
公司荣誉
服务领域
产品中心
智慧弱电
智慧强电
智慧消防
智慧暖通
工程服务
新闻动态
行业动态
常见问题
客户案例
解决方案
联系我们
联系方式
留言反馈
公司简介
公司文化
公司荣誉
服务领域
TAG为楼宇自控的内容如下:
楼宇自控调节室内温度达到节能效果!
2020-05-26
?楼宇自控在近几年的市场很大,通过它近几年的表现来看,它在楼宇节能方面成效显著。今天山东三水智能化工程有限公司就楼宇自控调节室内温度达到节能效果为大家介绍一下。在夏天或者冬天,当人们从室外进入楼宇内部的时候,温度会有很大......
发展至今,楼宇自控经历过哪几个阶段?
2020-05-25
?楼宇自控在我国的发展也有些年头了,尤其是现在可持续发展理念的提出,为它的市场扩大提供了很好的条件。发展至今,其大致经历了传统、定制化以及可持续三大阶段,下面大家一起来看一下它在这三大阶段的具体表现吧。...
智能化的楼宇自控有何现实意义?
2020-05-25
?楼宇自控是指在楼宇工程项目的建设过程中,根据不同楼宇的结构特征等,对楼宇的各应用系统,内部的服务管理模式等借助现代智能化技术,进行优化设计,实现功能的整个,从而形成一个更为强大的智能操作系统。...
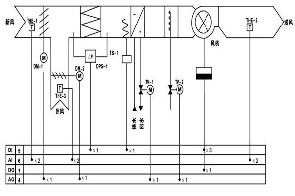
楼宇自控中排风机、新风、空调系统的节能控制!
2020-05-23
?在楼宇自控中,排风机主要应用在排气处理方面,新风主要是输送新风,空调系统主要是调节室内的空气环境,机组功能多集中在排气、除湿以及混合等方面,结合排风机和空调功率等方面的情况,合理控制楼宇自控系统,实现节能降耗目标。...
节能环保是当下时代发展诉求,楼宇自控如何实现?
2020-05-22
节能环保成为当下时代发展诉求,那在楼宇自控领域,我们该做些什么来尽可能实现节能环保的目标呢?冯崇义为大家提出以下几点建议。1.能耗分析。能耗分析主要是利用各项监控设备了解楼宇使用过程中能量消耗方面的信息数据,针对这些数据......
<<
<
97
98
99
100
101
>
>>
关于三水
公司简介
公司文化
公司荣誉
服务领域
产品中心
智慧弱电
智慧强电
智慧消防
智慧暖通
工程服务
新闻动态
行业动态
常见问题
服务热线:400-008-4689
商务合作:156-2899-2871
微信号:lfsun_2022
联系电话:0531-82719697
电子邮箱:sansint@163.com
公司地址:济南市历城区七里河路2号 科技佳苑1号楼七层
版权所有:山东三水智能化工程有限公司 备案号:
鲁ICP备14033765号-1